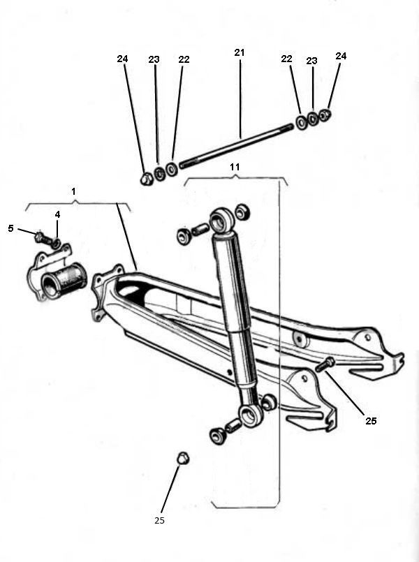
Puch Maxi – Achterbrug Schokbreker
Er zijn nog geen producten gekoppeld aan deze tekening.
Andere tekeningen voor Puch Puch Maxi
×
Er zijn nog geen producten gekoppeld aan deze tekening.
Vragen of onduidelijkheden?
Neem gerust contact op!
Weten waar je pakket is?
Volg je bestelling!
Retourneren of ruilen?
Alles wat je moet weten
Voordeligste prijzen
Bij Fresh Parts